Sign In | Join Free | My brakesband.com
China SHAREWAY TECHNOLOGY CO., LTD. logo
SHAREWAY TECHNOLOGY CO., LTD.
Share Our Successful Way With You
Verified Supplier

9 Years

Home > Gate Drive Transformer >

WB1015-SML 3+3 Pin Gate Drive Transformer For Pulse Application

SHAREWAY TECHNOLOGY CO., LTD.
Trust Seal
Verified Supplier
Credit Check
Supplier Assessment
Contact Now

WB1015-SML 3+3 Pin Gate Drive Transformer For Pulse Application

Brand Name : Shareway

Model Number : WB1015-SML

Certification : CE UL RoHS ISO9001:2008

Place of Origin : Guangdong China

MOQ : 100/500/1000

Price : Supportive

Payment Terms : TT,Paypal

Supply Ability : 5000K.PCS/Month

Delivery Time : Stock or 3 weeks

Packaging Details : 500 parts per full reel

Product name : WB1015-SML 3+3 Pin Gate Drive Transformer For Pulse Application

Pin : 3+3

Ambient temperature : –40°C to +85°C

Storage temperature Component : –40°C to +85°C.

Usage : High Frequency

Coil Number : Other

Contact Now

WB1015-SML 3+3 Pin Gate Drive Transformer For Pulse Application


Feature:

  • Surface mount and through hole versions
  • 500 V interwinding isolation, 1/4 Watt RF input power
  • 250 mA max current rating.
  • small package size

Applications:

  • TV sets, Microcomputer equipment, printers, Terminals
  • Charge
  • UPS, VCD/DVD players, audio and visual equipment
  • lighting fixture
  • Medical electronics
  • Power supplies
  • meters and equipments product
  • current control and heat dissipation

Part number Impedance
ratio2
pri : sec
IDC max
(mA)
Frequency
(MHz)
Pri (pins 1–3) Sec (pins 6–4)
Through-hole Surface mount L min3
(μH)
DCR max
(Ohms)
L min3
(μH)
DCR max
(Ohms)
WB1010-PCL WB1010-SML_ 1 : 1 250 0.005 – 100 780 0.320 780 0.320
WB1010-1-PCL WB1010-1-SML_ 1 : 1 250 0.04 – 175 95 0.200 95 0.200
WB1015-PCL WB1015-SML_ 1.5 : 1 250 0.1 – 150 80 0.145 51 0.130
WB1040-PCL WB1040-SML_ 4 : 1 250 0.2 – 300 95 0.160 25 0.115
WB2010-PCL WB2010-1-SML_ 1 : 1 250 0.005 – 100 780 0.320 780 0.320
WB2010-1-PCL WB2010-1-SML_ 1 : 1 250 0.04 – 175 95 0.200 95 0.200
WB2040-PCL WB2040-SML_ 4 : 1 250 0.2 – 300 95 0.160 25 0.115
WB3010-PCL WB3010-SML_ 1 : 1 250 0.005 – 100 780 0.320 780 0.320
WB3010-1-PCL WB3010-1-SML 1 : 1 250 0.04 – 175 95 0.200 95 0.200
WB3015-PCL WB3015-SML_ 1.5 : 1 250 0.1 – 150 80 0.145 51 0.130
WB3040-PCL WB3040-SML_ 4 : 1 250 0.2 – 300 95 0.160 25 0.115

WB1015-SML 3+3 Pin Gate Drive Transformer For Pulse Application


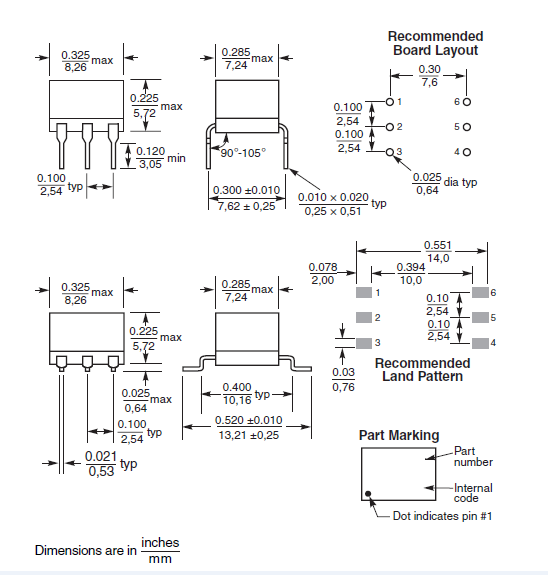
Shape and Dimensions:

WB1015-SML 3+3 Pin Gate Drive Transformer For Pulse Application

Product picture:

WB1015-SML 3+3 Pin Gate Drive Transformer For Pulse Application

WB1015-SML 3+3 Pin Gate Drive Transformer For Pulse Application


HOW TO ORDER
1. Please send me your datasheet or part number you need.
2. We will offer the replacement quotation for your reference
3. The free samples are available for your approval.
4. After sample testing, we will step into the mass order.
5. The Proforma Invoice will send for your confirmation
6. After the goods finished, we send the goods to you and tell you the tracking number.
7. We will track your goods until you receive the goods.

Remarks:
1. Sample orders are avaliable.
2. Price is negotiable for orders of large quantity.
3. Customized orders (OEM/ODM orders) are avaliable.
4. Contact us for available flavors list. International Certifications:
1. ISO9001:2008
2. UL
3. Reach
4. RoHs

Our service:
1. 100% tested before shipping
2. Have alternative for Halo, Pluse, , We-online, Chilisin, Coilcraft......Same quality but better price
3. Free sample available
4. Provide new design for customer


Product Tags:

3+3 pin gate drive transformer

      

gate drive transformer for pulse application

      

WB1015-SML gate drive transformer

      
Quality WB1015-SML 3+3 Pin Gate Drive Transformer For Pulse Application for sale

WB1015-SML 3+3 Pin Gate Drive Transformer For Pulse Application Images

Inquiry Cart 0
Send your message to this supplier
 
*From:
*To: SHAREWAY TECHNOLOGY CO., LTD.
*Subject:
*Message:
Characters Remaining: (0/3000)